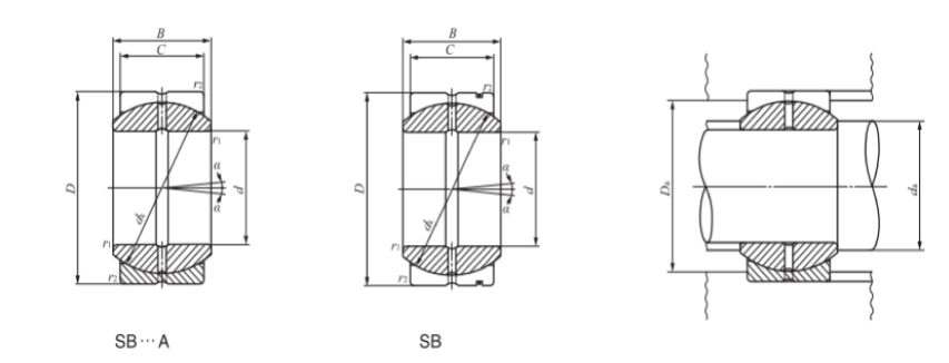
PB/SB 关节轴承
杆端轴承分为嵌入式给油型及无给油型两种,均为自动调心球面滑动轴承,能同时承受高径向负荷及两个方向之轴向负荷。给油型为嵌入之球面内轮于铜合金衬套表面滑动,与外表经镀锌之主体组合而成,且主体有油咀可径行重润于球面表面来完成给油。 另无给油型为球面内轮于免润滑 PTFE 衬里与主体之滑动表面紧密结合(压铸成型),有防磨之特性所产生之摇晃很小,特别适用于同一荷重方向对某些需避免油渍之机械装置或无法再润滑之机械为最佳选择。
PB平面图
SB型号表
| SB | mm | N | g | ||||||||
| 型號 | 內徑d | 外徑D | 厚度B | 厚度C | 球面直徑dk | 倒角r |
允許的 傾斜角度α |
動額定負荷Cd | 靜額定負荷Cs | 重量 | |
| SB 12A | SB 122211 | 12 | 22 | 11 | 9 | 18 | 0.3 | 7 | 15 900 | 95 300 | 19 |
| SB 15A | SB 152613 | 15 | 26 | 13 | 11 | 22 | 0.3 | 6 | 23 700 | 142 000 | 28 |
| SB 20A | SB 203216 | 20 | 32 | 16 | 14 | 28 | 0.3 | 4 | 38 400 | 231 000 | 53 |
| SB 22A | SB 223719 | 22 | 37 | 19 | 16 | 32 | 0.3 | 6 | 50 200 | 301 000 | 85 |
| SB 25A | SB 254221 | 25 | 42 | 21 | 18 | 36 | 0.3 | 5 | 63 500 | 381 000 | 116 |
| SB 30A | SB 305027 | 30 | 50 | 27 | 23 | 45 | 0.6 | 6 | 101 000 | 609 000 | 225 |
| SB 35A | SB 355530 | 35 | 55 | 30 | 26 | 50 | 0.6 | 5 | 127 000 | 765 000 | 300 |
| SB 40A | SB 406233 | 40 | 62 | 33 | 28 | 55 | 0.6 | 6 | 151 000 | 906 000 | 375 |
| SB 45A | SB 457236 | 45 | 72 | 36 | 31 | 62 | 0.6 | 5 | 188 000 | 1 130 000 | 600 |
| SB 50A | SB 508042 | 50 | 80 | 42 | 36 | 72 | 0.6 | 5 | 254 000 | 1 530 000 | 870 |
| SB 55A | SB 559047 | 55 | 90 | 47 | 40 | 80 | 0.6 | 5 | 314 000 | 1 880 000 | 1260 |
| SB 60A | SB 6010053 | 60 | 100 | 53 | 45 | 90 | 0.6 | 6 | 397 000 | 2 380 000 | 1700 |
| SB 65A | SB 6510555 | 65 | 105 | 55 | 47 | 94 | 0.6 | 5 | 433 000 | 2 600 000 | 2050 |
| SB 70A | SB 7011058 | 70 | 110 | 58 | 50 | 100 | 0.6 | 5 | 490 000 | 2 940 000 | 2220 |
| SB 75A | SB 7512064 | 75 | 120 | 64 | 55 | 110 | 0.6 | 5 | 593 000 | 3 560 000 | 3020 |
| SB 80A | SB 8013070 | 80 | 130 | 70 | 60 | 120 | 0.6 | 5 | 706 000 | 4 240 000 | 3980 |
| SB 85A | SB 8513574 | 85 | 135 | 74 | 63 | 125 | 0.6 | 6 | 772 000 | 4 630 000 | 4290 |
| SB 90A | SB 9014076 | 90 | 140 | 76 | 65 | 130 | 0.6 | 5 | 829 000 | 4 970 000 | 4710 |
| SB 95A | SB 9515082 | 95 | 150 | 82 | 70 | 140 | 0.6 | 5 | 961 000 | 5 770 000 | 6050 |
| SB 100A | SB 10016088 | 100 | 160 | 88 | 75 | 150 | 1 | 5 | 1 100 000 | 6 620 000 | 7420 |
PB型号表
| 型號 | 內徑d | 外徑D | 厚度B | 厚度C | d1 | 倒角r | 球面直徑 | 動額定負荷Cd | 靜額定負荷Cs | 重量 |
| PB 5 | 5 | 16 | 8 | 6 | 7.7 | 0.2 | 11.112 | 3 270 | 7 850 | 8.5 |
| PB 6 | 6 | 18 | 9 | 6.75 | 9 | 0.2 | 12.700 | 4 200 | 10 100 | 13 |
| PB 8 | 8 | 22 | 12 | 9 | 10 | 0.2 | 15.875 | 7 010 | 16 800 | 24 |
| PB 10 | 10 | 26 | 14 | 10.5 | 13 | 0.2 | 19.050 | 9 810 | 23 500 | 39 |
| PB 12 | 12 | 30 | 16 | 12 | 15 | 0.2 | 22.225 | 13 100 | 31 400 | 58 |
| PB 14 | 14 | 34 | 19 | 13.5 | 17 | 0.3 | 25.400 | 16 800 | 40 400 | 84 |
| PB 16 | 16 | 38 | 21 | 15 | 19 | 0.3 | 28.575 | 21 000 | 50 400 | 111 |
| PB 18 | 18 | 42 | 23 | 16.5 | 22 | 0.3 | 31.750 | 25 700 | 61 600 | 160 |
| PB 20 | 20 | 46 | 25 | 18 | 24 | 0.3 | 34.925 | 30 800 | 74 000 | 210 |
| PB 22 | 22 | 50 | 28 | 20 | 26 | 0.3 | 38.100 | 37 400 | 89 700 | 265 |
| PB 25 | 25 | 56 | 31 | 22 | 30 | 0.6 | 42.862 | 46 200 | 111 000 | 390 |
| PB 28 | 28 | 62 | 35 | 25 | 32 | 0.6 | 47.625 | 58 400 | 140 000 | 410 |
| PB 30 | 30 | 66 | 37 | 25 | 35 | 0.6 | 50.800 | 62 300 | 149 000 | 610 |